The new space for the Kempner Institute for the Study of Natural & Artificial Intelligence at Harvard University is home to a diverse community of affiliated students, faculty and researchers. In addition to private and shared offices, communal work spaces, computation labs and conference rooms, the Kempner’s facility includes two adaptable collaboration spaces allowing for formal and informal events, community building and impromptu innovation and ideation.
Located on the sixth floor of the Science and Engineering Complex (SEC), the first identifying features of the space are two curved furniture pieces – a reception desk and a bench, both custom designed and fabricated.
The reception area feels very welcoming and delineates the space without creating a hard dividing line between Kempner and the SEC. The same curved formal features of this space are carried into the atrium’s kitchenette design, lending continuity to the space. The wood column wraps are a nod to the base building’s colored column features, and while the Kempner space feels like the rest of the SEC, it has its own identifiable formal language.
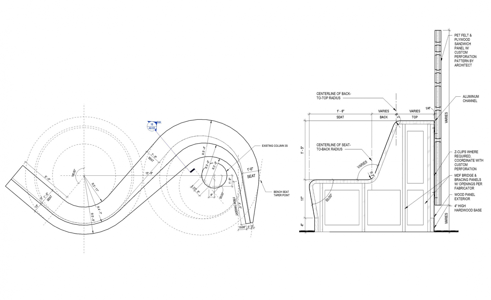
Using the existing column as an anchor point, the bench bends twice to not only enhance the curving nature of the project but together with the reception desk, the curved angle guides the circulation path to the main entrance of the Kempner space.
Perforated felt screens reflecting the purple and red Kempner colors wrap both the bench and the reception desk, providing another unique feature in the atrium space. This visually soft element separates the Kempner from the larger SEC.
The design team worked closely with the fabricator to create the curved bench and wood panels. Formworks were utilized to ensure the radius of the wood panels were identical throughout the project. Once the curved form was set, the panels were sent through the CNC machine to groove the vertical patterns and then hand-sanded to ensure a smooth finish.
The bench was fabricated into five sections and then assembled on-site. Following the design intent, the fabricator assembled the structural skeletons of the bench and then covered them in a layer of plywood, providing a smooth and polished surface.